VIGAS UPN
Perfil UPN- Pesos, Medidas y Características
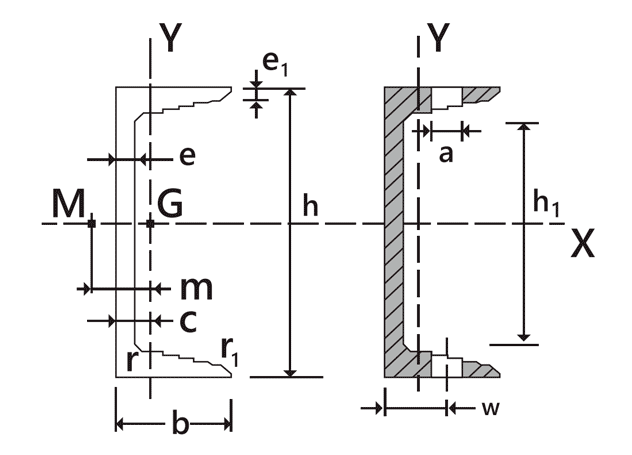
El Perfil UPN es un perfil estructural caracterizado por su forma en «U».
Sus alas exteriores son perpendiculares al alma y presentan aristas vivas. En el interior, sus alas tienen una inclinación del 8% decreciente hacia el exterior. La unión entre las caras interiores y el alma presenta aristas redondeadas.
Perfil UPN – Tabla de Pesos y Medidas
| Tipo Perfil UPN | Peso KG/m | h | b | e | a | m2/m |
|---|---|---|---|---|---|---|
| Perfil UPN 80 | 8,64 | 80 | 45 | 6 | 8 | 0,31 |
| Perfil UPN100 | 10,6 | 100 | 50 | 6 | 8,5 | 0,37 |
| Perfil UPN 120 | 13,4 | 120 | 7 | 7 | 9 | 0,43 |
| Perfil UPN 140 | 16 | 140 | 60 | 7 | 10 | 0,49 |
| Perfil UPN 160 | 18,8 | 160 | 65 | 7,5 | 10,5 | 0,55 |
| Perfil UPN 180 | 22 | 180 | 70 | 8 | 11 | 0,61 |
| Perfil UPN 200 | 25,3 | 200 | 75 | 8,5 | 11,5 | 0,66 |
| Perfil UPN 220 | 29,4 | 220 | 80 | 9 | 12,5 | 0,72 |
| Perfil UPN 240 | 33,2 | 240 | 85 | 9,5 | 13 | 0,77 |
| Perfil UPN 260 | 37,9 | 260 | 90 | 10 | 14 | 0,83 |
| Perfil UPN 280 | 41,8 | 280 | 95 | 10 | 15 | 0.89 |
| Perfil UPN 300 | 46,2 | 300 | 100 | 10 | 16 | 0,95 |
| Perfil UPN 320 | 59,5 | 320 | 100 | 14 | 17.5 | 0,98 |
| Perfil UPN 350 | 60,6 | 350 | 100 | 14 | 16 | 1.05 |
| Perfil UPN 380 | 63,1 | 380 | 102 | 13.5 | 16 | 1,11 |
| Perfil UPN 400 | 71,8 | 400 | 110 | 14 | 18 | 1,18 |
PUBLICIDAD
Viga UPN de Acero para la Construcción
Características y usos de los Perfiles UPN
La viga de acero UPN o, también denominada Perfil U normal (UPN), se fabrica mediante laminación en caliente.
Conformado en forma de U, la caras exteriores de sus alas son perpendiculares al alma. En el interior, las alas son inclinadas hacia el alma en un 8%. Esta inclinación provoca que el espesor de las alas sea decreciente hacia el exterior.
Las alas tienes las aristas redondeadas en su interior mientras que en el exterior presentan aristas vivas.
El ancho total de las alas tiene una medida específica dependiendo del tipo de perfil upn. Se calcula en función de la altura nominal: b = h/4 + 25 mm
En la construcción, los perfiles UPN tienen diversos usos. Los principales son: correas, dinteles, soportes, estructuras para escaleras, construcción de maquinaria, pilares o refuerzos estructurales.
Dimensiones y Calidades Viga UPN
Los perfiles en U normal se rigen bajo la norma UNE 36522:2018.
Para su designación se utilizan las siglas UPN seguidas por el número que indica su altura nominal (h) en milímetros. De este modo los perfiles U van comprendidos desde el Perfil UPN 80 y el Perfil UPN 400.
Se fabrican en calidades S-235, S-275 y S-355; en grados JR, J0 y J2. Del mismo modo, el largo de los perfiles salidos de fábrica llega hasta los 22 metros. Siendo las longitudes habituales 12m, 14m y 15m. No obstante, este perfil estructural admite corte a medida.
¿Qué es mejor UPE o UPN?
Tanto los perfiles UPN como los perfiles UPE tienen forma de U. La principal diferencia entre ambas vigas se encuentra en la cara interior de sus alas.
Mientras el Perfil UPN tiene sus alas inclinadas hacia el alma, el Perfil UPE tiene sus alas paralelas en ambas caras.
Esta característica está provocando que ganen terreno en la construcción los perfiles UPE con respecto a los perfiles UPN.
La gama UPE son más fáciles de unir gracias a disponer de alas paralelas. Se ahorra en tiempo de montaje y, por lo tanto, conlleva un ahorro económico.
Otra significativa diferencia es su peso. El perfil UPN es un 11% más pesado que el perfil UPE. El motivo de esta mayor ligereza está en el menor espesor de sus alas.
Cabe destacar que este menor peso de los perfiles UPE no provoca un menor rendimiento en cuanto a resistencia, ya que ambos perfiles ofrecen unos comportamiento similares para la misma altura nominal.